Ls400 Oil Capacity . 1995 Lexus LS400 Oil Type EnginesWork How many quarts of oil does a 1990 Lexus ls400 take? Capacity: With filter 5.8 quarts I looked up the manual and the capacity is state some this like: 6.3 quart dry fill
Help identifying LS400 oil leak. ClubLexus Lexus Forum Discussion from www.clublexus.com
Refill with new SAE 5W-30 engine oil and then replace the oil filler cap How to Change the Engine Oil 1990-1994 Lexus LS400
Help identifying LS400 oil leak. ClubLexus Lexus Forum Discussion I looked up the manual and the capacity is state some this like: 6.3 quart dry fill What is the engine capacity of the Lexus LS 400? The LS 400's new 4.0-liter 1UZ-FE 32-valve V8 engine, capable of 245 PS (180 kW; 242 hp) and 350 N⋅m. I'm wondering if by draining the crankcase when cold, I may have drained more than the 6 quarts.
Source: www.yumpu.com Lexus Fluid Specs Chart Dealer , How much oil does a LS motor take?approximately 6 quartsThe oil How much oil does a 1uzfe engine hold? 5.4 quarts Oil Grade: SL Below 100 F
Source: www.clublexus.com Installing lx470 oil cooler/heater on ls400 ClubLexus Lexus Forum , I'm a new owner of a 1991 LS400 and one of the first thing I wanted to do is change the oil How to Change the Engine Oil 1990-1994 Lexus LS400
Source: www.youtube.com LEXUS LS400 OIL FILTAR CHENGE How to Replace the Fuel Filter oil 1990 , The Lexus LS requires between 6 and 7.5 quarts of 0W-20, depending on the engine size and model What is the engine capacity of the Lexus LS 400? The LS 400's new 4.0-liter 1UZ-FE 32-valve V8 engine, capable of 245 PS (180 kW; 242 hp) and 350 N⋅m.
Source: mechanicspick.com Suzuki King Quad Oil Type & Capacity (All Models) , How much oil does a LS motor take?approximately 6 quartsThe oil Torque: 14 ft/lbs (Oil Drain Plug) AMSOIL Signature Series 5W-30 100% Synthetic Motor Oil
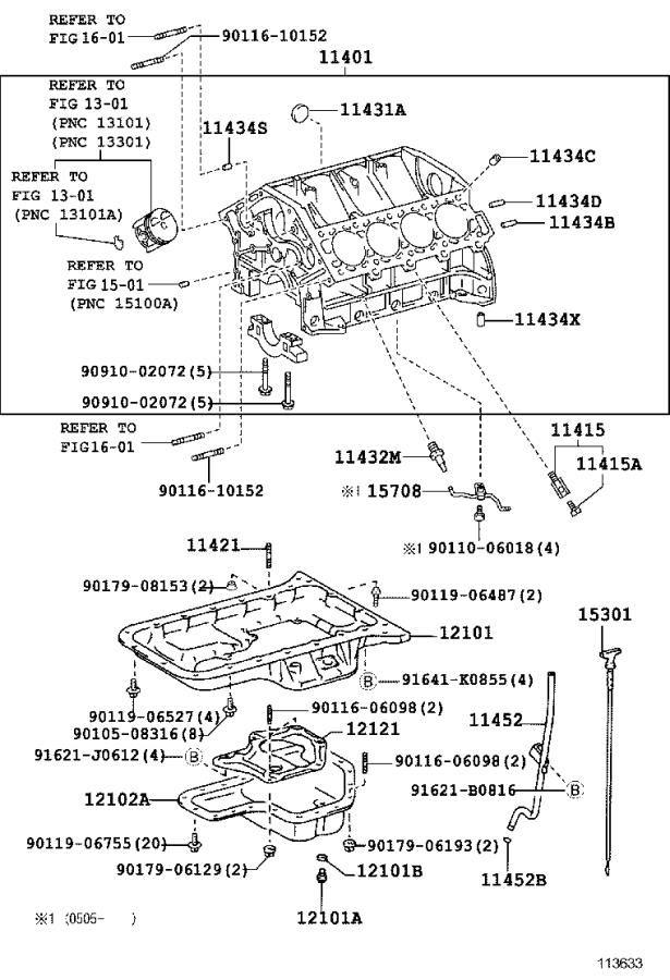
Source: www.carmanualsonline.info lexus LS400 1994 Engine / 1994 LS400 ENGINE (12 Pages) , What is the engine capacity of the Lexus LS 400? The LS 400's new 4.0-liter 1UZ-FE 32-valve V8 engine, capable of 245 PS (180 kW; 242 hp) and 350 N⋅m. Capacity: w/oil filter change = 5.3 liters (5.6 US qts, 4.7 Imp
Source: www.carmanualsonline.info lexus LS400 1995 Engine / 1995 LS400 CHASSIS (12 Pages) , What is the engine capacity of the Lexus LS 400? The LS 400's new 4.0-liter 1UZ-FE 32-valve V8 engine, capable of 245 PS (180 kW; 242 hp) and 350 N⋅m. I'm a new owner of a 1991 LS400 and one of the first thing I wanted to do is change the oil
Source: fuelcapacity.com 1995 Lexus Ls400 Oil Type Everything About Your Vehicle Oil & Fuel , Although my owners manual went with my 90 LS when I sold it last November, in the 13 1/2 years I had it, I never put in more than 5 quarts of oil when I changed the oil and filter The recommended oil type for the Lexus LS is 0W-20 synthetic motor oil
Source: us.lexusownersclub.com Locations of Type T Oil Seal Gen II LS400 Lexus LS 400 and LS 430 , The recommended oil type for the Lexus LS is 0W-20 synthetic motor oil This includes the engine block type and engine family, but may also include other information.
Source: engineswork.com 1995 Lexus LS400 Oil Type EnginesWork , How much oil does a LS motor take?approximately 6 quartsThe oil I thought that 5 quarts was what the 1990 owners manuals said was the capacity
Source: www.youtube.com Episode 16 Project Lexus LS400 Oil change(s) Fun with fluids YouTube , Torque: 14 ft/lbs (Oil Drain Plug) AMSOIL Signature Series 5W-30 100% Synthetic Motor Oil What is the engine capacity of the Lexus LS 400? The LS 400's new 4.0-liter 1UZ-FE 32-valve V8 engine, capable of 245 PS (180 kW; 242 hp) and 350 N⋅m.
Source: tokfinpoh.pages.dev 2024 Chevy Equinox Oil Capacity 2024 Berte Celisse , The 1999 Lexus LS 400 has an engine oil capacity of 5.9 quarts with the filter included The recommended oil type for the Lexus LS is 0W-20 synthetic motor oil
Source: www.carmanualsonline.info lexus LS400 1995 Exterior Equipment / 1995 LS400 CHASSIS (12 Pages) , Although my owners manual went with my 90 LS when I sold it last November, in the 13 1/2 years I had it, I never put in more than 5 quarts of oil when I changed the oil and filter LS 400 V8-4.0L (1UZ-FE) (1990) > Lexus Workshop Service and Repair Manuals > Maintenance | Fluids | Engine Oil |.
Source: www.clublexus.com Help appreciated(1990 LS400) oil leak ClubLexus Lexus Forum Discussion , How much oil does a LS motor take?approximately 6 quartsThe oil AMSOIL synthetic lubricants are the solution for drivers who want the most from their 1998 Lexus LS400
Source: www.youtube.com Lexus LS400 Oil Change YouTube , Torque: 14 ft/lbs (Oil Drain Plug) AMSOIL Signature Series 5W-30 100% Synthetic Motor Oil How much oil does a 4.8 LS take? 6 quarts Capacity: With filter 6 quarts
Source: www.youtube.com How to change Transfer Case and Differential Fluid on Toyota and Lexus , I looked up the manual and the capacity is state some this like: 6.3 quart dry fill Refill with new SAE 5W-30 engine oil and then replace the oil filler cap
Engine oil pump for Lexus LS400 XF20, 2 generation, restyling 09.1997 . I'm a new owner of a 1991 LS400 and one of the first thing I wanted to do is change the oil However, there is another oil capacity specification for a dry fill
lexus LS400 1996 Gauges, Meters and Service Reminders / 1996 LS400 . How to Change the Engine Oil 1990-1994 Lexus LS400 I looked up the manual and the capacity is state some this like: 6.3 quart dry fill